查找線性穩壓器時,面對無限多的產品型號,利用參數搜索工具可以把選擇范圍縮小到少數幾個,看起來非常簡單。需要什么樣的輸出電壓?負載電流是多少?承受的輸入電壓范圍如何?穩壓器需要工作在什么壓差下?最大輸入電壓是多少?封裝和外部元件尺寸?接下來是細節處理。如果負載對電源波動非常敏感怎么辦?可能要求極低的輸出噪聲和很高的 PSRR。如果設計采用電池供電,則對靜態電流的要求也會非常嚴格。
現在,您已經將范圍縮小到那些能夠滿足具體應用的器件。但這并沒結束。在最終決定之前,以下 5 個因素還需要考慮。
穩壓器如何啟動?
接近最小壓差時,靜態電流是否依然保持在非常低?
對于實際負載,而非數據手冊測試數據,器件的負載瞬態響應如何?
LDO 輸出紋波是否主要取決于 PSRR,或者主要由 LDO 輸出噪聲決定?
器件關斷狀態下的參數如何?
為什么這些問題如此重要?實際應用中,線性穩壓器的有些表現可能使您感到很陌生,需要花費額外的時間診斷電路板的故障,甚至需要重新設計。
本應用筆記對 LDO 的上述要點進行了闡述。希望有助于您的線性穩壓器選型和設計。
1. 啟動
大多數穩壓器都配備了使能輸入,用于控制穩壓器的上電或關斷,以節省功耗。帶有使能輸入的穩壓器通常也帶軟啟動功能。軟啟動可防止穩壓器打開時造成輸入電源過載。軟啟動通常采用以下兩種方式之一。
電流軟啟動
第一種方法是電流軟啟動。大多數穩壓器具有電流限值;電流軟啟動是緩升或步進到該電流限值。由于輸出電容充電量遠遠小于最大負載電流,軟啟動使得輸出電壓緩慢上升。電流軟啟動的優點是穩壓器輸入電流穩定上升,不會將負載啟動的瞬態電流傳遞到輸入。
使能負載時,大家可能會注意到輸出電壓斜率突然改變方向的一個點。這是因為負載電路打開并嘗試在穩壓器處于限流的條件下啟動工作。如果負載電流超過軟啟動電流,負載本身將進入欠壓狀態,造成復位。隨著負載電流的打開和關閉,這種循環會不斷持續。最后軟啟動電流達到足夠高的水平,能夠支持負載供電,釋放復位,負載電路正常喚醒。
電壓軟啟動
第二種軟啟動是緩升輸出電壓。緩升輸出電壓會在輸出電壓上產生單調變化,當下游電路開啟時不產生任何電壓瞬變。這樣也能防止負載多次進入復位狀態,因為輸出電壓僅穿越負載欠壓門限一次。
電壓軟啟動期間的浪涌電流取決于輸出電壓和輸出電壓的變化斜率,在加上負載吸收的電流。典型情況下,按照浪涌電流大約為最大額定輸出電流的 1%至 10% (使用推薦的最小輸出電容)來設置輸出電壓斜率。將浪涌電流設置為小于最大負載電流的 10%,為負載及任何額外輸出電容需要的電流提供了裕量。其缺點是輸入電流與負載變化有關,不能直接控制;優點是能夠避免系統多次復位。
圖 1 所示為電流軟啟動和電壓軟啟動對比。


圖 1. 電流軟啟動和電壓軟啟動對比
2. 靜態電流與壓差
如果系統由電池供電,穩壓器的電源電流非常重要。負載電路可短暫工作,然后長時間處于待機狀態,以節省功耗。此時,電池壽命很大程度上取決于穩壓器和負載的靜態電流。如果是這種情況,則要考慮選擇低靜態電流的線性穩壓器。
假設隨著電池電量的消耗,使得輸入與輸出之間的壓差達到很小的狀態。此時的線性穩壓器,即使負載電流非常小,也會強制 FET 導通,最大程度地減小輸入與輸出之間的壓降。工作在最低壓差時的潛在問題是,驅動穩壓器輸出 FET 的柵極驅動電路將消耗較大電流(圖 2)。使得“待機模式”變為“電池快速放電模式”。


圖 2. 最低壓差條件下,MG 驅動阻抗造成靜態電流增大。
即使很好的 IC 設計,靜態電流在最低壓差條件下增大的現象也并不罕見。小壓差下的電源電流提高 2 倍很常見,有些設計甚至增大 10 倍或更多。有些器件在 EC 表或靜態電流與輸入電壓關系的典型工作特性曲線中給出壓差與電源電流的對應關系。但更多情況下,數據手冊給出的是叫高壓差下的電源電流。
對于具體應用,如果低壓差條件下的靜態電流非常重要,應選擇提供該信息的 LDO,或者進行實際測量,確定性能滿足要求。
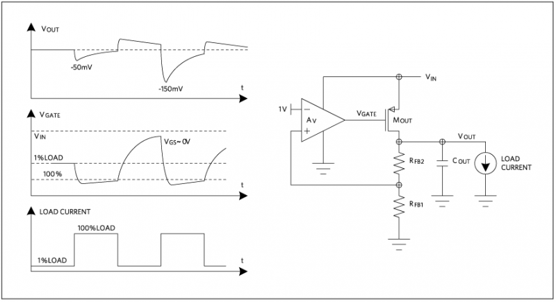
3. 負載瞬態響應
負載快速變化期間,多數穩壓器都具備一定的能力使輸出保持在穩壓范圍內。負載變化時,輸出 FET 柵極驅動需要隨之變化。而柵極驅動達到新水平所需的時間決定了輸出電壓的瞬態下沖或過沖。
滿載時的快速瞬變會造成最差情況下的瞬態下沖。選擇穩壓器之前,須務必檢查瞬態響應。與從 1%滿載作為初始條件相比,從 10%滿載開始通常會給出更好的結果;因為 10%負載預偏置與 1%負載預偏置相比,輸出 FET 柵極電壓更接近其最終值。負載從空載變為滿載,要想獲得較好的負載瞬態響應比較困難。
保證穩壓器輸出負載最小在一定程度上可以規避大的負載瞬變,但這不是有效的解決方案。當穩壓器從滿載躍變到輕載時,往往會發生輸出過沖。而穩壓器從過沖狀態恢復的過程中,器件處于比較敏感狀態 —— 此時的輸出 FET 完全沒有偏置。這種狀態下,如果出現另一次負載階躍,輸出則出現下沖,比第一次更為嚴重。
如果存在任何快速開啟、關斷負載的情況,最好在類似條件下檢查每個穩壓器的負載瞬態響應。(圖 3)所示為雙脈沖負載瞬變期間的性能。


圖 3. 雙脈沖負載瞬變時的輸出下沖。
4. 噪聲與電源抑制比(PSRR)
顯而易見,大多數設計用于低噪聲輸出的穩壓器也具有優異的 PSRR。無論何種原因,負載對電源紋波都非常敏感。
使用開關穩壓器時,PSRR 比輸出噪聲問題更嚴重。比如,一個線性穩壓器的前端使用了降壓型調節器產生的電壓作為輸入,而其輸出端的負載又對噪聲非常敏感。如果降壓型調節器的紋波為 50mVP-P @ 100kHz,線性穩壓器在 100kHz 下的 PSRR 為 60dB,則輸出紋波為 50uVP-P,等效輸出噪聲大約 15uVRMS。而同一線性穩壓器在 10Hz 至 100kHz 帶寬范圍內的總輸出噪聲可能小于 5uVRMS,由于 PSRR 和輸入電壓紋波,使得輸出紋波產生的噪聲達到穩壓器本身噪聲的 3 倍,如(圖 4)所示。


圖 4. 輸出噪聲指標變差主要取決于 PSRR。
對于較高的輸出電壓,線性穩壓器的輸出噪聲可能成為 PSRR 的決定因素。這是因為分壓后的反饋輸入噪聲增大了。假如一個線性穩壓器將噪聲較高的升壓轉換器的 17V 輸出轉換為噪聲較小的 16V 電源,紋波小于 100uV。開關頻率處的 PSRR 為 60dB,50mVP-P 升壓轉換器紋波將衰減到 50uVP-P,或者輸出噪聲 15uVRMS。如果采用 5uVRMS 低噪聲基準和反饋運放輸入,我們來看一下反饋輸入產生的問題。如果反饋輸入調整在 1.25V,電阻反饋網絡將輸出設置為 16V,那么輸出噪聲將增大到 5uVRMS x (16V/1.25V),即 64uVRMS,這可能成為主要的噪聲源。(圖 5)顯示了高壓輸出造成的輸出噪聲性能下降。
在查找線性穩壓器時,如果為噪聲敏感的負載供電,通常既需要考慮輸出噪聲,也需要考慮 PSRR。


圖 5. 高壓輸出造成的噪聲性能下降。
5. 輸入保護
線性穩壓器的輸出調整管大多包含體二極管,該二極管可防止輸出比輸入高出 0.7V 以上。大多數情況下,該二極管不是問題,但在兩種情況下會引起麻煩。
反向電壓保護
有些情況下,輸入電壓可能接反,導致極性反轉,比如放置 9V 電池的兩個金屬觸點。盡管連接器能夠防止電池永久性反接,但在用戶更換電池時會有幾秒或更長時間的反向電壓。
反向電壓保護允許輸入引腳電壓低于地電位,不會吸收顯著電流。為達到這一目的,需要通過串聯開關將輸出 FET 的體二極管斷開。大多數穩壓器都包括二極管,防止任何引腳電壓低于地電位,防止引腳發生靜電放電,即 ESD。為實現反向電壓保護,也需要去除該二極管的影響,并采取不同的保護器件,參見(圖 6)。
MAX1725 是一款具有反向電壓保護的器件,允許輸入比地電位低 12V,不會吸收大的電流。


圖 6. 反向電壓保護。
反向電流保護
線性穩壓器的反向電流保護很容易與反向電壓保護混淆。盡管效果相似,都是阻斷輸出 FET 體二極管的反向電流傳導,但控制方法完全不同。(圖 7)所示為反向電流保護工作原理。
對于較高容性負載的情況,例如,具有許多分布式電源去抖電容的音頻電路,采用線性穩壓器供電。同時假設該線性穩壓器由大電流降壓轉換器供電,關斷狀態下,轉換器將其輸出短路至地。我們會毫不奇怪地發現,在第一次關斷事件期間,由于負載電容網絡同時通過線性穩壓器的體二極管進行放電,線性穩壓器可能被損壞。
具有反向電流保護的線性穩壓器在輸入電壓下降到輸出電壓以下時,斷開體二極管,可以避免這一問題。如果輸出電壓之前在穩壓范圍內,輸出 FET 將導通,在觸發保護電路之前,會有少量反向電流流通。注意,反向電流保護僅僅消除從輸出到輸入的電流,但在輸入引腳電壓低于地電位時并未阻斷電流,就像反向電壓保護那樣。MAX8902 是一款具有反向電流保護的器件,在輸入短路至地時可阻斷負載電容的電流倒灌。


圖 7. 反向電流保護。
總結
我們以上討論了線性穩壓器的一些特殊情況,這些問題可能在數據手冊或參數搜索中發現不了。有時候不太容易確定每款線性穩壓器會出現哪種狀況,但了解潛在問題就為您查找正確的器件提供了很大優勢。
烜芯微專業制造二極管,三極管,MOS管,橋堆等20年,工廠直銷省20%,4000家電路電器生產企業選用,專業的工程師幫您穩定好每一批產品,如果您有遇到什么需要幫助解決的,可以點擊右邊的工程師,或者點擊銷售經理給您精準的報價以及產品介紹
烜芯微專業制造二極管,三極管,MOS管,橋堆等20年,工廠直銷省20%,4000家電路電器生產企業選用,專業的工程師幫您穩定好每一批產品,如果您有遇到什么需要幫助解決的,可以點擊右邊的工程師,或者點擊銷售經理給您精準的報價以及產品介紹

