面對內燃機車的廢氣污染和能源枯竭,電動汽車現在逐步走進了人們的生活。世界各大汽車生產廠家,都在大力研發電動汽車控制技術,并在最近的車展上紛紛推出了電動汽車。電機控制器是電動車控制系統中最關鍵的部分,它的發展對電動汽車的普及及推廣有著深遠的影響?,F在主流的電動車控制器主要由電力電子器件構成,其中電機控制器直接充當了心臟的角色。為了提高控制器的穩定性,添加了部分保護功能,如:過熱保護、勵磁檢測保護、過流保護、電池欠壓保護、防反接保護等。本設計方案采用了兩片TL494作為整個系統的核心控制器。
1.電動車電機控制器的原理
本文中電動汽車采用他勵直流有刷電機,動力電池采用6節鉛酸蓄電池串聯,每塊電池額定電壓6V,總額定輸出電壓為36V。他勵直流電動機的額定電壓為36V,額定功率為3kW,輸出額定轉矩為10.84Nm,額定轉速為2600r/min,勵磁電流為10A,最大負載電流為110A。
本控制器的設計方案中,電樞控制部分采用兩象限型直流斬波PWM 系統,勵磁控制部分采用雙極式可逆直流斬波 PWM 系統。控制器選用TL494芯片,其具有結構簡單、功能可靠、價格低廉、穩定性好等優點。TL494內置有5V±5%的基準電源、兩路誤差放大器、 PWM產生比較器以及死區時間可調控制等。
2.兩象限型直流斬波PWM系統
兩象限型直流斬波器原理圖如圖1所示,采用半橋結構,電機中流過的電流Ia可正可負,開關管S2只在制動時起作用,系統能工作在2個象限。該控制方案雖然只能使電機工作在第一、第二象限,但是具有能量回饋制動功能,而且控制方便,使用的電子元器件較少,有利于減小控制器的體積,且系統的可靠性較高,方案的成本低。

圖1 兩象限型直流斬波器電路原理圖
3.雙極式可逆直流斬波PWM系統
雙極式可逆直流斬波器原理圖如圖2所示。這種直流斬波器可以使電動機在四象限運行,即電樞電壓 Va和電流Ia既可以為正,也可以為負。

圖2 四象限型直流斬波器驅動原理圖
該控制方案能夠使電機在四個象限運行,電路和控制不復雜,電機停止時有微振電流,能消除靜摩擦死區;低速時,每個功率開關管的驅動脈沖仍較寬,有利于保證功率開關管的可靠導通。他勵直流電機的勵磁回路中通過電流不大,勵磁回路不用經常切換,只需讓其工作在一、三象限。
4.總體方案設計
控制器最終方案中電樞回路采用兩象限型直流斬波器,勵磁回路采用四象限的直流斬波器。由于電動車必須要能夠在多種路面和多種天氣(高溫、低溫)下使用,控制器必須具有一定的抗震性、防水性,抗電磁干擾能力等。為了適應本控制器的惡劣使用環境,本控制系統中采用了純硬件設計。他勵直流有刷電機控制器總體方案框圖如圖3所示。

圖3 電動控制器總體方案原理框圖
本設計方案采用了兩片TL494作為整個系統的核心控制器,一片TL494專門用來控制勵磁部分。控制器勵磁部分由TL494構成的小系統,在電動車上電后開始工作,使電動車在運行期間勵磁信號不缺失,有效保護電機。在采集前進和后退選擇按鈕信號后,選擇勵磁回路中勵磁電流的流向,控制電動車的運行方向??刂破麟姌锌刂撇糠植捎昧硪黄琓L494控制,該系統采集油門踏板信號,來改變TL494輸出PWM 波的占空比進行調速。通過檢測勵磁回路中電流信號,確認勵磁電流正常后啟動電樞回路。通過檢測電樞回路電路信號,發現電機堵轉時及時關閉TL494脈沖輸出,防止電流過大燒壞功率器件和電機。
4.1硬件設計
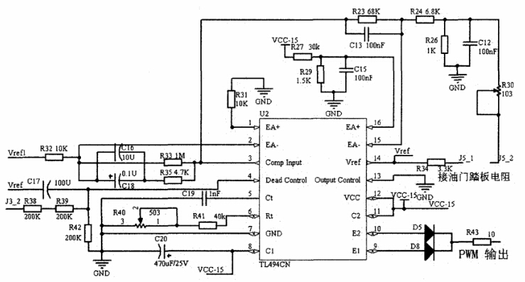
TL494外圍電路設計PWM 調節由 TL494CN 芯片實現,其電路原理圖如圖4所示,主要功率器件采用多個MOS-FET并聯和多個二極管并聯的方式。為實現直流有刷電動機的平滑調速,將TL494的13號引腳接地,使TL494工作在單端輸出方式,實現PWM 占空比從0到96%連續可調。

圖4 TL494外圍電路圖
為了增大TL494的輸出驅動電流,提高驅動能力,并保護 TL494 的輸出端(9 號和10 號引腳),通過兩個高速二極管并聯輸出的方式,輸出最大500mA的電流,很大程度的提高了輸出的驅動能力。并在輸出端單獨采用達林頓管推挽輸出,來驅動電樞回路中多個并聯的 MOSFET,多個MOSFET并聯時需要注意均流和散熱。
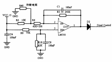
4.2過熱保護
過熱保護電路的核心元件主要是65°C常開溫控開關R40和高速運放LM358,通過改變運放反向輸入端電壓,使運放輸出高低電平,來控制TL494的死區。過熱保護電路圖如圖5所示。

圖5 過熱保護電路
R40的一端接地,另一端介入R5和R6之間,整個電路構成一個差分式的運算放大電路。當溫度超過65°C,溫控開關閉合時,運放LM358輸出為高電平(大于3.3V),TL494的死區電壓大于3.3V時,輸出的PWM 波的占空比降為0,輸出為低電平,使開關管不導通,切斷電機的供電。
而當控制器正常工作時,散熱器的溫度不會超過65°C,溫控開關會一直處于斷開狀態,此時的TL494死區端電壓為120mV 的偏置電壓,輸出的PWM 占空比受到TL494運放的輸出電壓控制。
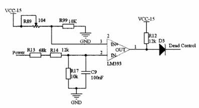
4.3電池欠壓保護
電動車的供電由鉛酸蓄電池提供給,電池容量有限,電量不足時要及時充電,為了防止電動車電池的過渡放電,保護電池,提高電池的使用壽命,應該設置電池的欠壓保護,電池欠壓保護電路圖如圖6所示。
當電機堵轉時,蓄電池輸出電流迅速增大,此時電池不能夠提供這么大的功率,會導致電池電壓的急劇下降。根據電池的特性,36V 的鉛酸蓄電池,電池在正常工作時,輸出電壓不會低于30V。設置電池的最低保護電壓為30V,這樣可以保護電池并防止電機堵轉。
電池的欠壓保護采用 LM393電壓比較器來實現,將36V 的蓄電池電壓經過分壓后與參考電壓比較,當電池的電壓低于30V 時,LM393的反向輸入端電壓低于同相輸入端電壓,輸出為高電平,使TL494的死區電壓達到最大值,關斷 TL494的脈沖輸出,使電機停止運轉。

圖6 電池欠壓保護電路
總結
本文總結了基于TL494的電動車電機控制器設計方案,并通過長期的實驗運行和裝車試驗,證實本文設計的電動車電機驅動系統,能量損耗小、使用范圍廣、滿足電動車的實際需要。通過對電動機勵磁和電樞的調節可以實現他勵直流有刷電動機的運行調速、正反轉和能量回饋。并在設計中預留了多路信號通信接口,將各關鍵狀態信號輸入車載 ECU中,方便整車的協調和升級。
電話:18923864027(同微信)
QQ:709211280
〈烜芯微/XXW〉專業制造二極管,三極管,MOS管,橋堆等,20年,工廠直銷省20%,上萬家電路電器生產企業選用,專業的工程師幫您穩定好每一批產品,如果您有遇到什么需要幫助解決的,可以直接聯系下方的聯系號碼或加QQ/微信,由我們的銷售經理給您精準的報價以及產品介紹

