快充與場效應管
消費電子市場的火爆場面拉動了快充的內需,而快充的興起也帶動了MOSFET的需求增長。
用于整流同步的MOS管,可以保證在快充電源提高電壓來達到高電流高功率充電時的用電安全性。而低電壓高電流充電的“閃充”對整流同步的MOS管要求更為嚴苛,MOS管用量也呈上升趨勢。

目前鋰電材料及儲能研究技術步伐仍無法跟上人民依賴電子設備程度的增長,電子設備的續航問題沒有大的突破性進展,快充的興起就顯得尤為重要。市場為了解決各家不同快充技術的使用局限性,推出USB PD協議來統一快充技術。
2020年5月,Wei YongXiang設計了一款符合USB PD協議的快充移動電源,采用三段式充電和四開關管升降壓電路,實現了兼容性強的大功率快充功能,充放電效率大于等于93.3%,具有外圍器件需求小,電轉換效率率高,延長鋰電池壽命等優點。

USB PD快充移動電源結構圖
系統電路設計
主電路設計參數
最大充電功率:90W(20W/4.5A)
最大輸出功率:65W(20V/4.5A)
電池組:四節鋰電池串聯
控制核心:數字電源管理SOC芯片EDP3010
電感L>13.8μF
電容:22μF貼片電容*3,35V耐壓120μF固態電容
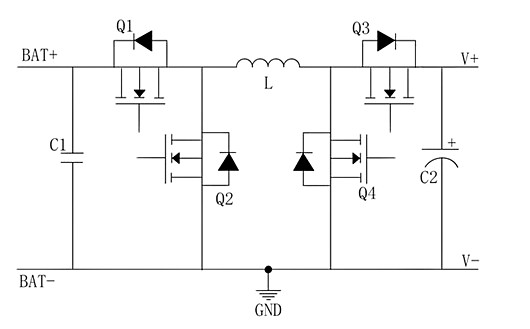
開關電源電路采用四開關Buck-Boost電路結構

四開關升降壓主電路
MOS管的選擇條件:
承受耐壓20V
承受最大電流>9A
導通電阻較小
電話:18923864027(同微信)
QQ:709211280
〈烜芯微/XXW〉專業制造二極管,三極管,MOS管,橋堆等,20年,工廠直銷省20%,上萬家電路電器生產企業選用,專業的工程師幫您穩定好每一批產品,如果您有遇到什么需要幫助解決的,可以直接聯系下方的聯系號碼或加QQ/微信,由我們的銷售經理給您精準的報價以及產品介紹

