場效應管是一種半導體器件,用于電子設備中的放大、開關和調制等功能。根據其導電類型的不同,場效應管可以分為兩種基本類型:N型場效應管和P型場效應管。
溝道(Channel)
溝道是指場效應晶體管中源區(qū)和漏區(qū)之間的一薄半導體層。如MOS結構中當施加外部電場時在半導體表面形成的積累層及反型層。
溝道--場效應管內部的導電路徑,它連接了源極和漏極。當施加適當的電壓或電流時,溝道將成為電子或空穴的主要傳導路徑。
在場效應晶體管中,源區(qū)和漏區(qū)之間有一薄半導體層,電流在其中流動受柵極電勢的控制。溝道寬度是表 征集成電路集成度的重要標志。商品集成電路中場效應晶體管的溝道寬度已小到0.25微米,每個芯片上包含了7億多個晶體管。
N型場效應管(N-channel FET)
N型場效應管中的溝道是由電子形成的。在N型場效應管的基底中摻雜有一個少量的施主雜質,通常是磷(Phosphorus)或砷(Arsenic)等元素。這些施主雜質提供了額外的自由電子,當正向偏置被施加到N型場效應管的柵極上時,形成一個負偏執(zhí)電場,吸引自由電子進入溝道。這使得溝道中的電子可以流動,從而形成了導電通路。
N型場效應管的特點:
當柵極和源極間施加正向偏壓時,溝道中的電子開始導通。
當柵極和源極間施加負向偏壓時,溝道中的電子停止導通。
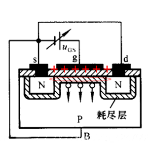
以N溝道增強型MOS管為對象(如圖)


為什么叫N溝道?
因為源極和漏極是兩個N型半導體,我們的目的是要使源極和漏極兩個導通,相當于在漏源之間挖一條溝渠,這樣兩邊就連通了。
在無任何外電場作用的情況下,漏源之間是兩個背向的PN結,無法形成溝道,無法連通。
怎么形成N溝道?
在柵-源(g-s)間加上正電壓,在柵極金屬下側聚集正電荷,排斥二氧化硅絕緣層下側P型半導體具有正電特性的空穴,形成PN結。


現在加大柵-源(g-s)間的電壓,PN結區(qū)域變寬,同時吸引PN結下方的電子到PN結與二氧化硅之間,這樣溝道就形成了。


P型場效應管(P-channel FET)
相比之下,P型場效應管的溝道是由空穴形成的。在P型場效應管的基底中摻雜有少量的受主雜質,通常是硼(Boron)或鋁(Aluminum)等元素。這些受主雜質提供了額外的空穴,當負向偏置被施加到P型場效應管的柵極上時,形成一個正偏執(zhí)電場,吸引空穴進入溝道。這使得溝道中的空穴可以流動,從而形成了導電通路。
P型場效應管的特點:
當柵極和源極間施加負向偏壓時,溝道中的空穴開始導通。
當柵極和源極間施加正向偏壓時,溝道中的空穴停止導通。
n溝道和p溝道的區(qū)別
在實際應用中需要正確區(qū)分N型和P型場效應管。最常見的方法是查看器件上的標識或數據手冊。通常,N型場效應管的標識會有一個"n",而P型場效應管的標識會有一個"p"。
此外,根據不同的制造工藝,兩種類型的管子具有不同的電特性。例如,在導通時,N型場效應管的導通電阻較低,而P型場效應管的導通電阻較高。因此,在選擇和使用場效應管時,我們應該充分了解其電特性,并根據具體需求作出合適的選擇。
N型和P型場效應管的其他區(qū)別:
極性:N型場效應管需要正向偏置才能導通,而P型場效應管需要負向偏置才能導通。這是由于電子和空穴的運動方向和極性特征所決定的。
驅動電壓:由于電子遷移率高于空穴遷移率,N型場效應管通常具有較低的驅動電壓要求。相比之下,P型場效應管需要更高的驅動電壓來實現相同的導通效果。
導通電阻:N型場效應管在導通狀態(tài)下具有較低的導通電阻,因此可以提供較大的電流輸出。相反,P型場效應管的導通電阻較高,因此其電流輸出能力相對較小。
噪聲特性:由于電子的遷移率高于空穴,N型場效應管通常具有更好的噪聲特性。這使得N型場效應管在低噪聲放大器和高頻應用中更為常見。
溫度特性:N型和P型場效應管在溫度特性上也存在差異。由于電子具有較高的遷移率,N型場效應管的導通特性相對穩(wěn)定。而P型場效應管的導通特性受到溫度波動的影響更大。
〈烜芯微/XXW〉專業(yè)制造二極管,三極管,MOS管,橋堆等,20年,工廠直銷省20%,上萬家電路電器生產企業(yè)選用,專業(yè)的工程師幫您穩(wěn)定好每一批產品,如果您有遇到什么需要幫助解決的,可以直接聯系下方的聯系號碼或加QQ/微信,由我們的銷售經理給您精準的報價以及產品介紹
聯系號碼:18923864027(同微信)
QQ:709211280

