功放,顧名思義,就是功率放大的縮寫。與電壓或者電流放大來說,功放要求獲得一定的、不失真的功率,一般在大信號狀態下工作,因此,功放電路一般包含電壓放大或者電流放大電路沒有的特殊問題;
具體表現在:①輸出功率盡可能大;②通常在大信號狀態下工作;③非線性失真突出;④提高效率是重要的關注點;⑤功率器件的安全問題。而對于音頻功放電路,也需要注意以上的問題。
根據放大電路的導電方式不同,音頻功放電路按照模擬和數字兩種類型進行分類,模擬音頻功放通常有A類,B類,AB類, G類,H類 TD功放,數字電路功放分為D類,T類。
音頻功放電路圖一
AN7114在Vvv=9.0V,THD=10%,RL=8Ω條件下,輸出功率可達2.1W,噪聲輸出3mV。
極限參數:Vcc=13V,耗散功率(不帶散熱器)為1.2W,帶散熱器的條件下為2.25W。工作溫度-20—70℃,適合于小型便攜式收錄音機及音響設備作功率放大器。


音頻功放電路圖二
下圖是一款主要應用于手機的音頻功率放大器。5V電源時,它能夠提供1瓦的連續平均功率輸出(8Ω橋式連接負載),失真小于2%(THD+N)。
LM4889需要的外部元件極少,不需要輸出耦合電容器或啟動電容器,因此適合移動電話和其他低電壓應用。該LM4889具有低功耗的停機模式、內部誤關斷保護機制、噪音消除功能,可以配置外部的增益設定電阻。


300W音頻功放電路原理圖


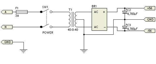
300W音頻功放電源線路圖

〈烜芯微/XXW〉專業制造二極管,三極管,MOS管,橋堆等,20年,工廠直銷省20%,上萬家電路電器生產企業選用,專業的工程師幫您穩定好每一批產品,如果您有遇到什么需要幫助解決的,可以直接聯系下方的聯系號碼或加QQ/微信,由我們的銷售經理給您精準的報價以及產品介紹

〈烜芯微/XXW〉專業制造二極管,三極管,MOS管,橋堆等,20年,工廠直銷省20%,上萬家電路電器生產企業選用,專業的工程師幫您穩定好每一批產品,如果您有遇到什么需要幫助解決的,可以直接聯系下方的聯系號碼或加QQ/微信,由我們的銷售經理給您精準的報價以及產品介紹
聯系號碼:18923864027(同微信)
QQ:709211280

